PRODUSE PREMIUM VIVAMAG
Termen livrare
PRODUSE PREMIUM VIVAMAG
Termen livrare
PRODUSE PREMIUM VIVAMAG
Termen livrare
PRODUSE PREMIUM VIVAMAG
Termen livrare
Termen livrare
Termen livrare
Termen livrare
Termen livrare
0,00 lei
După realizarea cererii de produse , un consultant Mival vă va contacta telefonic.
Fitingurile sudură cap-cap din polietilenă de înaltă densitate de tip PE 100 sunt utilizate în sisteme de alimentare cu gaze naturale, în instalațiile de alimentare cu apă potabilă, canalizare și apă convențională curate.
Fitingurile sunt fabricate prin procedeul de injecție în matrițe speciale din metal. Se produc fitinguri din polietilenă SDR 11 și SDR 17.
1. Fitingurile din polietilenă cu SDR 11 se produc cu următoarele caracteristici:
fitinguri fabricate prin procedeul de injecție și execuție lungă cu următoarele caracteristici:
-adaptor de flanșă de la DN 20 până la DN 400 mm;
-coturi la 45° și 90° de la DN 20 până la DN 315 mm;
-dopuri de la DN 20 până la DN 400;
-reducții de la DN 25/20 până la DN 250/160 mm;
-teuri de la DN 20 până la DN 315 mm;
-teuri reduse de la DN 50/40 până la DN 250/90 mm.
2. Fitingurile din polietilenă cu SDR 17 se produc cu următoarele caracteristici:
fitinguri fabricate prin procesiul de injecție și execuție lungă cu următoarele caracteristici:
-adaptor de flanșă de la DN 20 până la DN 400 mm;
-coturi la 45° și 90° de la DN 20 până la DN 315 mm;
-dopuri de la DN 20 până la DN 400;
-reducții de la DN 25/20 până la DN 250/160 mm;
-teuri de la DN 20 până la DN 315 mm;
-teuri reduse de la DN 75/63 până la DN 250/90 mm.
Fitingurile SDR 11 se utilizează în sisteme de alimentare cu gaze natural și sisteme de alimentare cu apă. Fitingurile SDR 17 se utilizează în sisteme de alimentare cu apă. Presiunea maximă de lucru pentru utilizarea în instalații de apă este de 10 și 16 bar, iar pentru utilizarea în sistemele de alimentare cu gaze naturale este de 10 bar.
Produsele nu prezintă pericol pentru mediu sau sănătatea oamenilor la utilizarea lor în condiții normale, în conformitate cu procedurile legislației în domeniu, nu prezintă riscul de accidente la utilizarea lor în condiții normale.
Produsele sunt din polietilenă și nu necesită protecție împotriva coroziunii. Montarea, în rețele și instalații exterioare, fitingurilor din polietilenă se va face numai îngropat în pământ.
În sistemele de alimentare cu gaze, produsele nu se izolează termic. În sistemele de alimentare cu apă produsele se pot izola termic, dacă instalația necesită acest aspect.
Materialele utilizate, precum și tehnologiile de fabricare, permit execuția unor produse cu durată de viață estimată de 50 de ani.
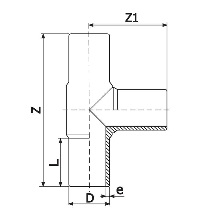
DATE TEHNICE
Diametrul | z | L | z1 | e | Greutate |
(mm) | (mm) | (mm) | (mm) | (mm) | (kg) |
| 63 | 239 | 63 | 123,0 | 3,800 | 0,285 |
| 75 | 273 | 70 | 139,0 | 4,500 | 0,438 |
| 90 | 301 | 79 | 153,0 | 5,400 | 0,693 |
| 110 | 337 | 82 | 171,0 | 6,600 | 1,15 |
| 125 | 367 | 87 | 186,0 | 7,400 | 1,63 |
| 140 | 384 | 92 | 195,0 | 8,300 | 2,1 |
| 160 | 428 | 98 | 217,0 | 9,500 | 3,13 |
| 180 | 472 | 105 | 239,0 | 10,700 | 4,34 |
| 200 | 488 | 112 | 247,0 | 11,900 | 5,35 |
| 225 | 534 | 120 | 270,0 | 13,400 | 7,48 |
| 250 | 597 | 129 | 302,0 | 14,800 | 10,14 |
| 280 | 698 | 139 | 353,0 | 16,600 | 15,7 |
| 315 | 726 | 150 | 388,0 | 18,700 | 20,09 |
La Mival Instal, nu oferim doar produse – ci și know-how tehnic aplicat. Clienții noștri beneficiază de consultanță specializată în toate etapele unui proiect: de la selecția echipamentelor până la integrarea lor în infrastructura finală.
Analiză tehnică inițială
Identificăm nevoile reale ale proiectului tău și recomandăm soluții conforme cu normele tehnice și bugetul disponibil.
Optimizare de sistem
Propunem configurații eficiente energetic, durabile și ușor de întreținut – fie că este vorba de rețele de drenaj, sisteme de etanșare, sau echipamente mecanice.
Asistență la implementare
Asigurăm suport tehnic pentru echipele de execuție, schițe de montaj, detalii constructive și adaptări la șantier.
Training și mentenanță post-livrare
Oferim instructaj pentru echipele de mentenanță și suport în alegerea pieselor de schimb sau a soluțiilor de reparație.
📞 Alin Neagu – Suport tehnic
+40 751 036 995
alin.neagu@mivalinstal.ro
📞 Marius Iancu – Suport clienți
+40 765 663 761
marius.iancu@mivalinstal.ro
