PRODUSE PREMIUM VIVAMAG
Termen livrare
PRODUSE PREMIUM VIVAMAG
Termen livrare
PRODUSE PREMIUM VIVAMAG
Termen livrare
PRODUSE PREMIUM VIVAMAG
Termen livrare
Termen livrare
Termen livrare
Termen livrare
Termen livrare
0,00 lei
După realizarea cererii de produse , un consultant Mival vă va contacta telefonic.
Comercializam si fitinguri si produse GEORG FISCHER GMBH
Îmbinarea prin electrofuziune este o soluție recomandată pentru îmbinarea conductelor din PEHD.
De zeci de ani, PE a fost materialul de alegere pentru instalațiile noi și reabilitarea rețelelor de gaze și apă, deoarece sistemele de conducte PE oferă o soluție complet sudată, ușor de instalat și necocorozivă. Atunci când sunt proiectate și instalate corect, speranța de viață a conductelor din PEHD este de peste 100 de ani.
Îmbinările prin electrofuziune reprezintă o soluție avansată tehnologic.
Îmbinarea prin electrofuziune este proiectată special pentru ușurința în asamblare și pentru asigurarea optimizării și eficiență în timpul procesului de sudare.
Fitingurile din PEHD (polietilenă de înaltă densitate cu îmbinare prin electrofuziune, tip PE 100 RC, PE 100 și PE 80 sunt utilizate în sisteme de alimentare cu gaze naturale, în instalațiile de alimentare cu apă potabilă, canalizare și apă convețională curată.
Fitingurile din PEHD cu îmbinare prin electrofuziune, sunt fabricate prin procedeul de injecție în matrițe speciale din metal și cu rezistanță electrică înglobată în fiting.
Se produc fitinguri din PEHD cu îmbinare prin electrofuziune, cu SDR 11 și SDR 17.
Fitingurile de electrofuziune comercializate de către societatea nostră au următoarele caracteristici:
-Mufe de la DN 20 până la DN 630 mm;
-Reducții de la DN 25/20 până la DN 315/280 mm;
-Șei pentru branșament de la DN 40/32 până la DN 630/125 mm;
-Teuri pentru branșament de la DN 40/32 până la DN 400/63 mm;
-Teuri egale de la DN 20 până la DN 180 mm;
-Teuri reduse de la DN 25/20 până la DN 160/125 mm;
-Capace de la DN 20 până la DN 250 mm;
-Coturi la 45 gr. și 90 gr. de la DN 20 până la DN 180 mm.
Pentru sistemele de alimentare cu gaze naturale se utilizează fitinguri cu SDR 11, iar pentru sistemele de alimentare cu apă se utilizează fitinguri cu SDR 17 și SDR 11.
Temperatura maximă de lucru este de +40 gr. C. Presiunea maximă de lucru pentru utilizarea în instalații de apă este de 10 și 16 bar, iar pentru utilizarea în sistemele de alimentare cu gaze naturale presiunea maximă de lucru este de 10 bar.
Produsele nu prezintă pericol pentru mediu sau sănătatea oamenilor la utilizarea lor în condiții normale, în conformitate cu procedurile legislației în domeniu, nu prezintă riscul de accidente la utilizarea lor în condiții normale.
Produsele sunt din polietilenă și nu necesită protecție împotriva coroziunii. Montarea, în rețele și instalații exterioare, fitingurilor din polietilenă se va face numai îngropat în pământ.
În sistemele de alimentare cu gaze, produsele nu se izolează termic. În sistemele de alimentare cu apă produsele se pot izola termic, dacă instalația necesită acest aspect.
După expirarea duratei de viață a fitingurilor din PEHD cu îmbinare prin electrofuziune, acestea pot fi reciclate și reutilizate pentru fabricarea altor produse.
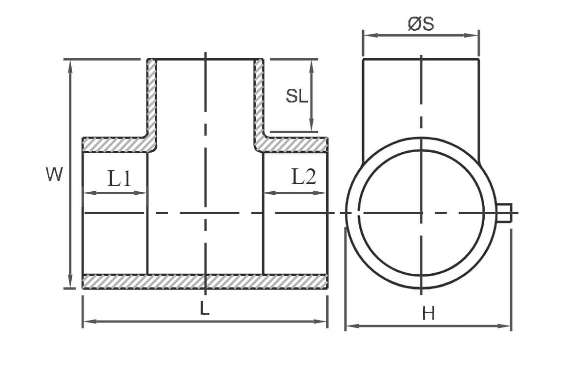
DATE TEHNICE
DN | H | L | L1 | L2 | QS | SL | W | Greutate | Timp Sudare | Timp Răcire |
(mm) | (kg) | (sec) | (min) | |||||||
| 20 | 51 | 100 | 39 | 39 | 20 | 58 | 98 | 0,06 | 40 | 3 |
| 25 | 54 | 100 | 41 | 41 | 25 | 58 | 98 | 0,07 | 48 | 4 |
| 32 | 62 | 109 | 42 | 42 | 32 | 58 | 109 | 0,09 | 50 | 6 |
| 40 | 71 | 128 | 46 | 46 | 40 | 65 | 119 | 0,14 | 70 | 7 |
| 50 | 86 | 143 | 50 | 50 | 50 | 70 | 140 | 0,24 | 70 | 6 |
| 63 | 98 | 158 | 61 | 61 | 63 | 70 | 159 | 0,49 | 50 | 6 |
| 75 | 115 | 200 | 59 | 59 | 75 | 118 | 220 | 0,67 | 120 | 14 |
| 90 | 131 | 200 | 77 | 77 | 90 | 85 | 206 | 0,83 | 90 | 9 |
| 110 | 155 | 251 | 80 | 80 | 110 | 135 | 282 | 1,74 | 180 | 13 |
| 125 | 169 | 247 | 86 | 86 | 125 | 95 | 256 | 2,45 | 120 | 10 |
| 140 | 185 | 305 | 73 | 73 | 140 | 145 | 325 | 3,1 | 260 | 16 |
| 160 | 217 | 342 | 105 | 105 | 160 | 150 | 350 | 4,39 | 300 | 21 |
| 180 | 240 | 362 | 106 | 106 | 180 | 130 | 371 | 6,21 | 280 | 19 |
La Mival Instal, nu oferim doar produse – ci și know-how tehnic aplicat. Clienții noștri beneficiază de consultanță specializată în toate etapele unui proiect: de la selecția echipamentelor până la integrarea lor în infrastructura finală.
Analiză tehnică inițială
Identificăm nevoile reale ale proiectului tău și recomandăm soluții conforme cu normele tehnice și bugetul disponibil.
Optimizare de sistem
Propunem configurații eficiente energetic, durabile și ușor de întreținut – fie că este vorba de rețele de drenaj, sisteme de etanșare, sau echipamente mecanice.
Asistență la implementare
Asigurăm suport tehnic pentru echipele de execuție, schițe de montaj, detalii constructive și adaptări la șantier.
Training și mentenanță post-livrare
Oferim instructaj pentru echipele de mentenanță și suport în alegerea pieselor de schimb sau a soluțiilor de reparație.
📞 Alin Neagu – Suport tehnic
+40 751 036 995
alin.neagu@mivalinstal.ro
📞 Marius Iancu – Suport clienți
+40 765 663 761
marius.iancu@mivalinstal.ro
